Login

Login Inscripción

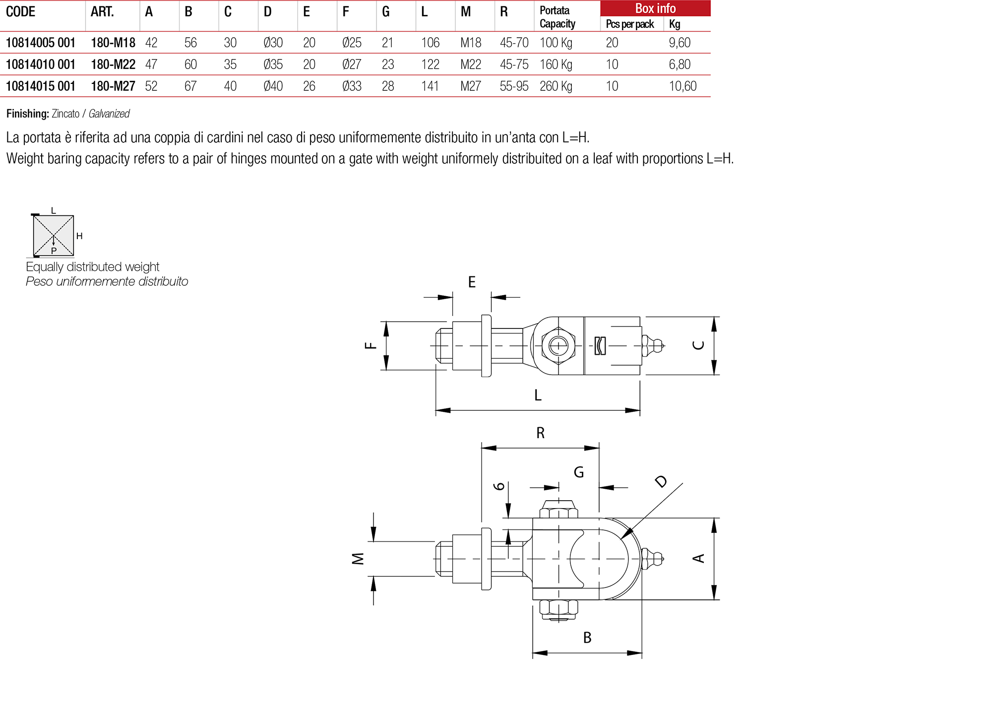
180

180
Bisagra de abrazadera con engrasador y casquillo

Tabla de datos técnicos

Tech Data

* Para descargar las imagines de este producto en alta resoluciòn ir a la sectiòn files de la àrea de usario