Login

Login Inscripción

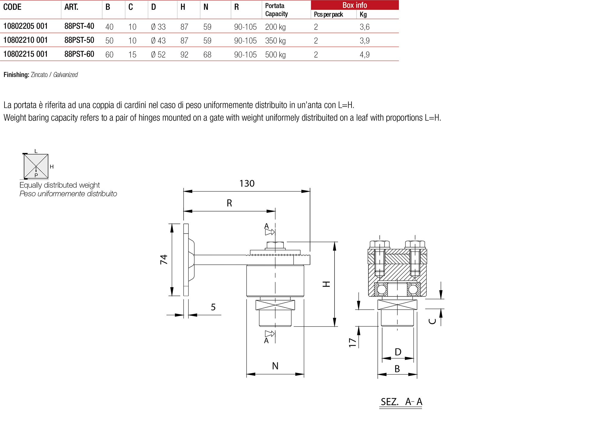
88PST

88PST
Bisagra superior pernio cuadrado placa en L para fijar

Tabla de datos técnicos

Tech Data

* Para descargar las imagines de este producto en alta resoluciòn ir a la sectiòn files de la àrea de usario