Login

Login Inscripción

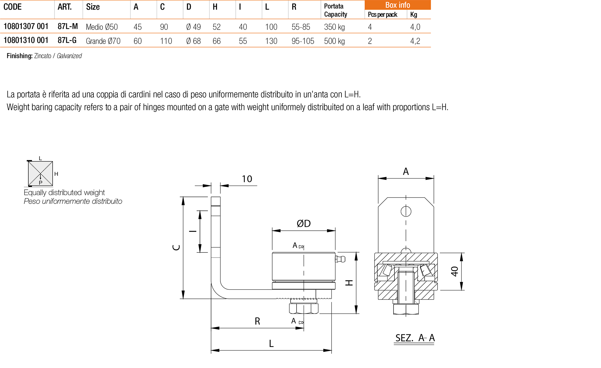
87L

87L
Bisagra inferior con rodamiento de empuje y placa en L

Tabla de datos técnicos

Tech Data

* Para descargar las imagines de este producto en alta resoluciòn ir a la sectiòn files de la àrea de usario