Login

Login Inscripción

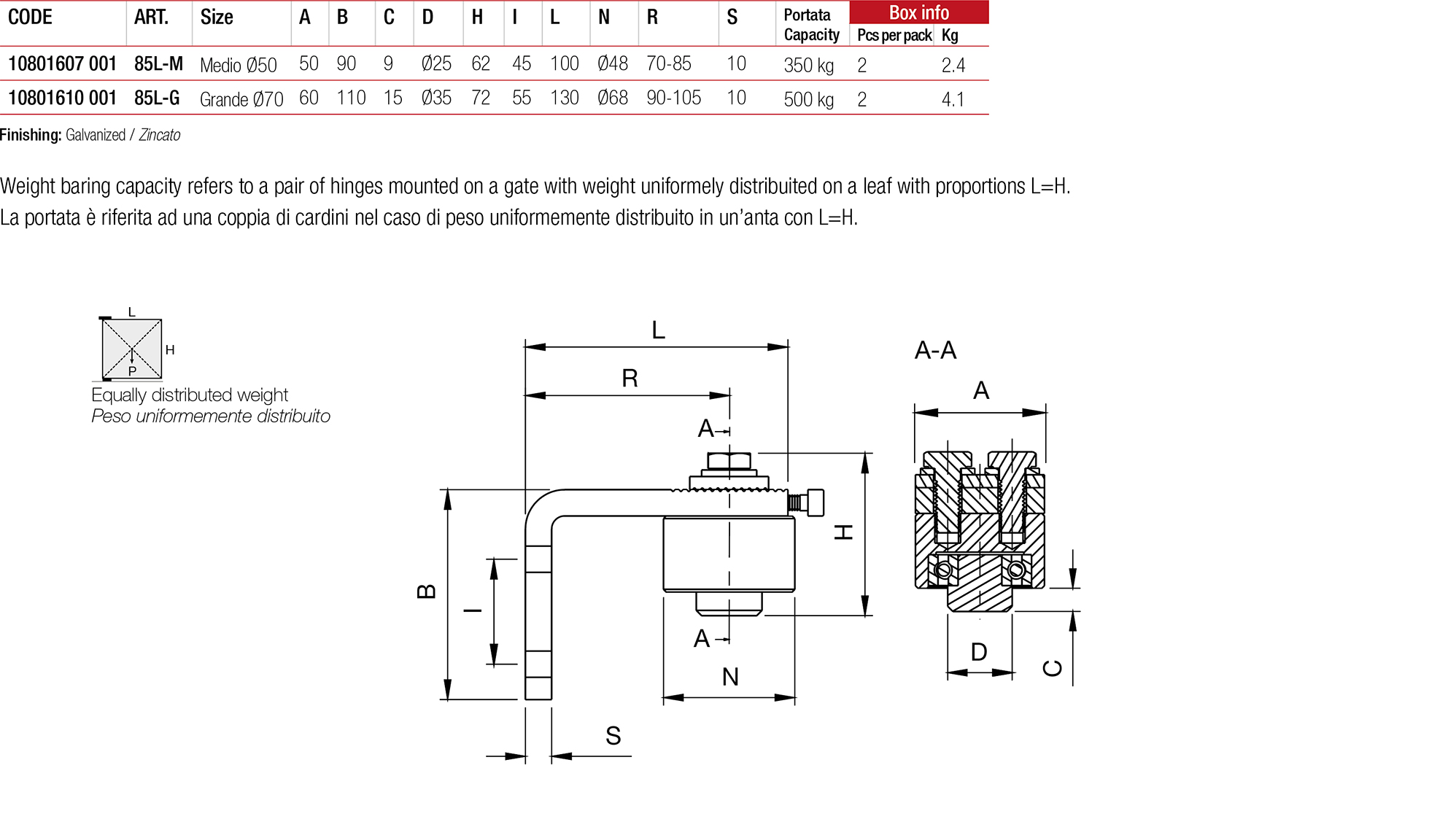
85L

85L
• Plate with holes for wall mounting

• Plate with slots and screws for leaf adjustment

• Knurling is present to ensure a more secure fastening

• Shielded bearing to ensure smooth, long-lasting movement over time

• Bearing housing with a blind screw hole (prevents water and weather exposure from passing through)

• High load capacity

Tabla de datos técnicos

Tech Data

* Para descargar las imagines de este producto en alta resoluciòn ir a la sectiòn files de la àrea de usario