Login

Login Inscripción

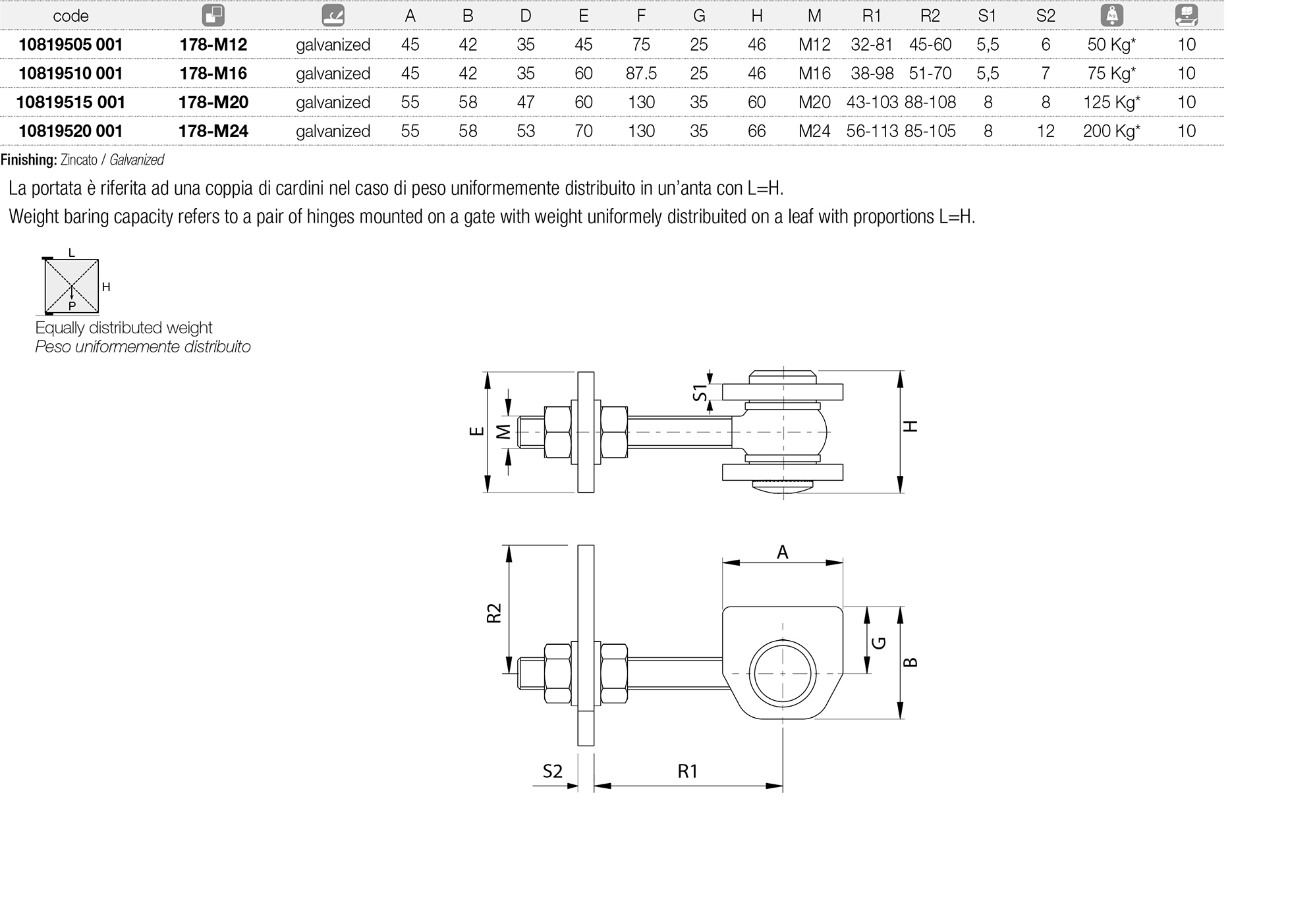
178

178
Bisagra con palas para apertura a 180°

Tabla de datos técnicos

Tech Data

* Para descargar las imagines de este producto en alta resoluciòn ir a la sectiòn files de la àrea de usario