Login

Login Inscripción

163

163
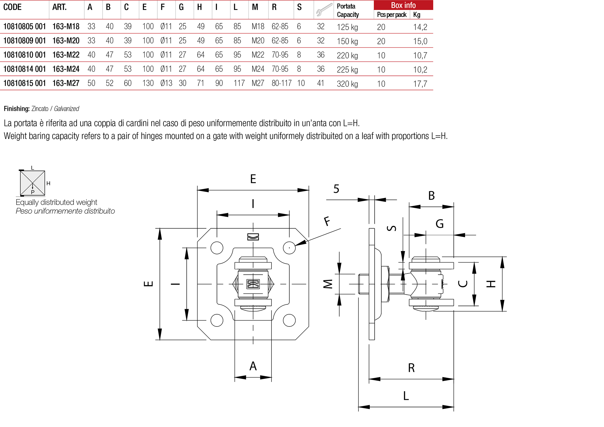
Bisagra con palas y placa con tuerca regulable

Tabla de datos técnicos

Tech Data

* Para descargar las imagines de este producto en alta resoluciòn ir a la sectiòn files de la àrea de usario