Login

Login Registrati

90

90
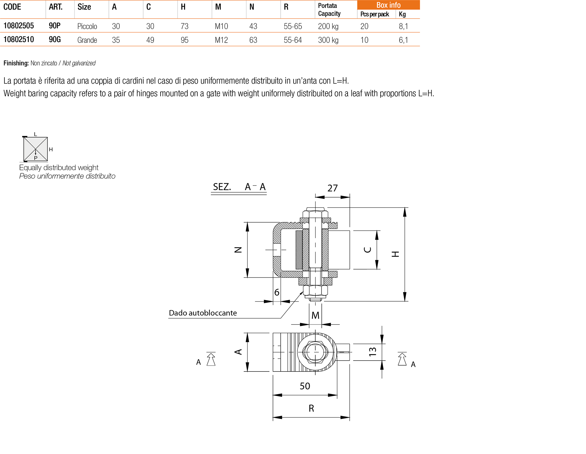
• Prevista un'asola per la regolazione dell'anta

• E' presente una zigrinatura per garantire un fissaggio più stabile

Caratteristiche Tecniche

Dati tecnici

* Per scaricare le immagini di questo prodotto in alta risoluzione andare nella sezione files nell'area utente